Rodas-guia de alto desempenho para escavadeiras
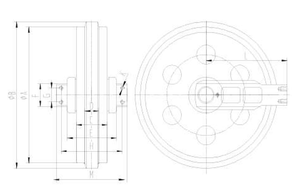
Model | Type | A | B | C | D | E | F | G | H | K | L | M |
EI230 | ﹘ | 230 | 250 | 25 | 20 | ﹘ | 95 | 40 | 88 | 4-M10 | 175 | 106 |
EI216 | ﹘ | 216 | 250 | 62 | 28 | ﹘ | 95 | 40 | 104 | 4-M10 | 180 | 124 |
EI360 | ﹘ | 360 | 386 | 98 | 45.6 | 158 | 88 | 50 | 179 | 4-M12 | 193 | 210 |
EI355A | ﹘ | 355 | 384 | 105 | 47 | 162 | 80 | 50 | 179 | 4-M12 | 200 | 218 |
EI355B | ﹘ | 355 | 384 | 106 | 44 | 162 | 80 | 50 | 179 | 4-M12 | 200 | 214 |
EI380 | ﹘ | 380 | 412 | 110 | 53 | 160 | 60 | ﹘ | 205 | 2-M16 | 170 | 240 |
EI415 | ﹘ | 415 | 460 | 100 | 43 | 156 | 73 | 40 | 200 | 4-M14 | 242 | 240 |
EI507 | ﹘ | 507 | 547 | 138 | 69.5 | 190 | 100 | ﹘ | 210 | 2-M16 | 175 | 270 |
EI489 | ﹘ | 489 | 527 | 115 | 52 | 183 | 82 | 44 | 227 | 4-M14 | 301.5 | 263 |
E500A | ﹘ | 500 | 538 | 159 | 84 | 247.1 | 105 | 66 | 280 | 4-M16 | 196 | 341 |
EI500B | ﹘ | 500 | 538 | 159 | 87 | 236 | 102.5 | ﹘ | 280 | 2-M14 | 245 | 328 |
EI500C | ﹘ | 500 | 538 | 159 | 84 | 236.5 | 108 | 64 | 287 | 4-M16 | 110 | 350 |
EI595 | ﹘ | 595 | 642 | 203 | 101 | 290 | 110 | 65 | 360 | 4-M16 | 290 | 408 |
EI590 | ﹘ | 590 | 635 | 190 | 102 | 261 | 120 | 60 | 360 | 4-M20 | 250 | 404 |
EI564 | ﹘ | 564 | 604 | 204 | 102 | 287 | 128 | ﹘ | 320 | 2-M20 | 275 | 386 |
EI570 | ﹘ | 570 | 614 | 203 | 101 | 262 | 118 | 70 | 324 | 4-M16 | 130 | 370 |
EI710 | ﹘ | 710 | 763 | 203 | 102 | 320 | 122 | 65 | 360 | 4-M20 | 400 | 408 |
EI660 | ﹘ | 660 | 704 | 202 | 105 | 297 | 145 | 66 | 410 | 4-M24 | 275 | 454 |
EI740 | ﹘ | 740 | 800 | 250 | 120 | 378 | 160 | 80 | 460 | 4-M20 | 410 | 560 |
EI945 | ﹘ | 945 | 1015 | 270 | 126 | 435 | 200 | 120 | 480 | 4-M24 | 520 | 629 |
The above are standard dimensions and can be customized upon request. | ||||||||||||
👉 Nossas rodas-guia para escavadeiras são projetadas para guiar a corrente de esteiras e manter a tensão adequada no sistema de material rodante. Fabricadas com materiais de alta resistência e usinagem de precisão, garantem longa vida útil e desempenho confiável.
🔧 Principais Características
- Estrutura em aço fundido de alta resistência
- Excelente resistência ao desgaste
- Guiamento suave da esteira
- Sistema de rolamento de alta precisão
- Longa vida útil
📊 Especificações
- Tipo de máquina: Escavadeiras / Tratores de esteiras
- Faixa de tonelagem: 5T – 50T
- Material: Aço fundido
- Dureza superficial: HRC 50–55
🔗 Marcas compatíveis
Komatsu
Volvo
Hitachi
Hyundai
Doosan
Kobelco
🏗️ Aplicações
- Projetos de construção civil
- Operações de mineração
- Trabalhos em pedreiras
- Equipamentos de movimentação de terra




