
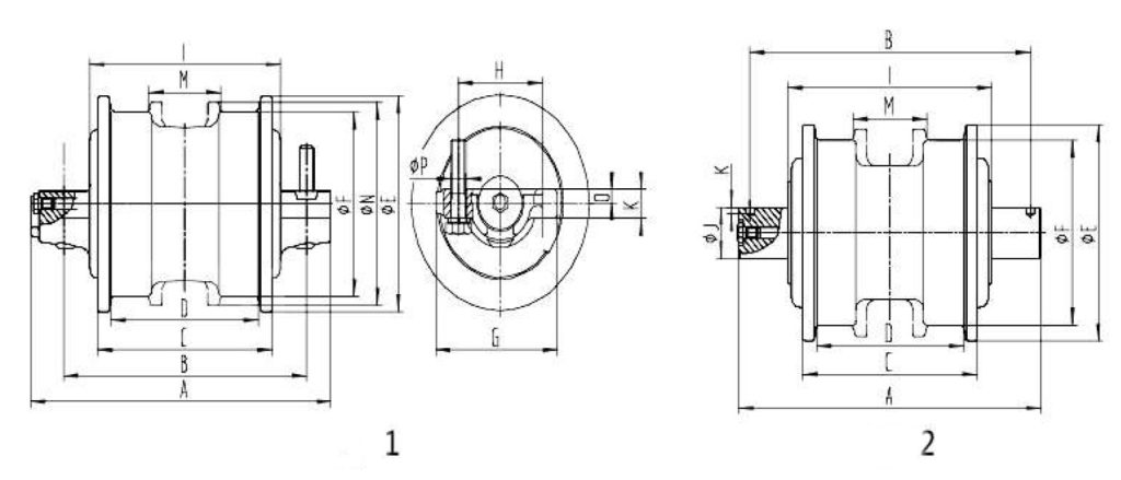
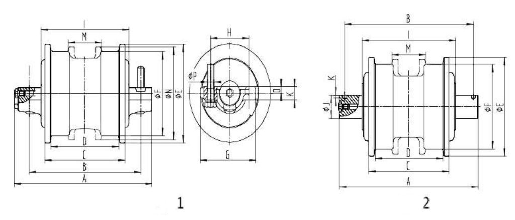
Model | Type | A | B | C | D | E | F | G | H | I | J | K | M | O | P |
BR382-1A | 1 | 382 | 310 | 208 | 173 | 233 | 200 | 152 | 110 | 237 | ﹘ | 28 | ﹘ | 16 | 18 |
BR382-1B | 1 | 382 | 310 | 208 | 173 | 233 | 200 | 152 | 110 | 237 | ﹘ | 28 | 86 | 16 | 18 |
BR401-1A | 1 | 401.2 | 320 | 235 | 200 | 244 | 210 | 157 | 114 | 258 | ﹘ | 34 | ﹘ | 16 | 19.5 |
BR401-1B | 1 | 401.2 | 320 | 235 | 200 | 244 | 210 | 157 | 114 | 258 | ﹘ | 34 | 101.6 | 16 | 19.5 |
BR448-1A | 1 | 448.5 | 380 | 251.2 | 209.2 | 257 | 222 | 182 | 136 | 306 | ﹘ | 34 | ﹘ | 16 | 23.5 |
BR448-1B | 1 | 448.5 | 380 | 251.2 | 209.2 | 257 | 222 | 182 | 136 | 306 | ﹘ | 34 | 106 | 16 | 23.5 |
BR504-1A | 1 | 504.3 | 408 | 292 | 244 | 298 | 255 | 190 | 140 | 320 | ﹘ | 40 | ﹘ | 18 | 26 |
BR504-1B | 1 | 504.3 | 408 | 292 | 244 | 298 | 255 | 190 | 140 | 320 | ﹘ | 40 | 120 | 18 | 26 |
BR536-2A | 2 | 536 | 511.5 | 350 | 297 | 312 | 278 | ﹘ | ﹘ | 396 | 68 | 7 | ﹘ | ﹘ | ﹘ |
BR536-2B | 2 | 536 | 511.5 | 350 | 297 | 312 | 278 | ﹘ | ﹘ | 396 | 68 | 7 | 131 | ﹘ | ﹘ |
The above are standard dimensions and can be customized upon request. | |||||||||||||||


